コンテンツにスキップ
企業情報
ビジョン
基本理念・企業理念・行動指針
企業情報
保有資格等 一覧
売上高
サービス
耐震補強・補修工事
メンテナンス・調査診断
その他の工事サービス
保有機材一覧
施工実績
工法のご案内
集じん式垂直グラインダー(ロトピーン)工法
ワイドエリア三次元測定機 NEW WM-6000
バキュームブラスト工法
ハイインジェクション止水工法
循環式オープンブラスト工法
アンカー留太郎®
超音波剥離工法(ソノスプリッターSS-270)
お知らせ
採用情報
企業情報
ビジョン
基本理念・企業理念・行動指針
企業情報
保有資格等 一覧
売上高
サービス
耐震補強・補修工事
メンテナンス・調査診断
その他の工事サービス
保有機材一覧
施工実績
工法のご案内
集じん式垂直グラインダー(ロトピーン)工法
ワイドエリア三次元測定機 NEW WM-6000
バキュームブラスト工法
ハイインジェクション止水工法
循環式オープンブラスト工法
アンカー留太郎®
超音波剥離工法(ソノスプリッターSS-270)
お知らせ
採用情報
バキュームブラスト工法
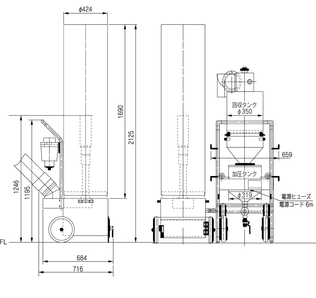
直圧式小型バキュームブラスター 吸込美塵Ⅲ FDO-G3-KA
ホーム
»
工法
»
バキュームブラスト工法
環境に配慮した、軽量&省資源の下地処理
01
Eco-Friendly
環境に優しい施工
吸塵式工法により粉塵が飛散せず、作業現場や周辺環境への影響を最小限に抑制。環境基準を満たします。
02
Cost Saving
資源の有効活用でコスト削減
回収した研掃材(アルミナ等)を再利用できるため大幅な省資源化を実現可能
03
Compact & high power
軽量×高性能
オープンブラストと同等の研掃力で、素地調整1種(Sa2 1/2)に対応。コンパクトかつ軽量設計ながら確かな処理性能を発揮します。
04
Wide Applications
幅広い構造物に対応
鋼橋の塗膜剥離や鋼構造物・コンクリートの下地処理まで対応可能。多様な現場に柔軟に適用でき、工期短縮やメンテナンスを効率化します。
■図面
噴射部の移動状態
分割した状態
■装置仕様
●電源 100V100W(50/60Hz)
●所要コンプレッサ
・空気量:3.4㎥/min
・圧力:0.5MPa(5kgf/c㎡)
※ドライコンプレッサ、または冷凍式エアドライヤを必ずご使用下さい。
パンフレットダウンロード
施工事例